Wyszukiwarka
Producenci
145,00 zł
117,89 zł
169,00 zł
137,40 zł
85,00 zł
69,11 zł
75,00 zł
60,98 zł
129,00 zł
104,88 zł
75,00 zł
60,98 zł
65,00 zł
52,85 zł
Zestaw BFT Icaro N F PROX z magnetycznymi wyłącznikami krańcowymi
Cena regularna:
Cena regularna:
towar niedostępny
dodaj do przechowalni
Opis
INTELIGENTNA TECHNOLOGIA
Wbudowany radioodbiornik dwukanałowy z kodem dynamicznie zmiennym. Centrala sterująca z funkcjami samouczenia, autodiagnostyki i autoprogramowania parametrów: hamulec, moment obrotowy, zabezpieczenie przed zgnieceniem. Centrala sterująca zgodna z protokołem EElink.
BEZPIECZEŃSTWO UŻYTKOWANIA
Dzięki zabezpieczeniu przed zgnieceniem w razie zetknięcia się bramy z przeszkodą siłownik zmienia kierunek ruchu, zapobiegając wyrządzeniu szkody osobom lub przedmiotom.
UPROSZCZONA INSTALACJA
Umieszczona z przodu centrala sterująca jest łatwo dostępna. Centrala sterująca programowana przy użyciu wyświetlacza LCD.
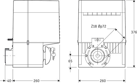
Dane techniczne:
| Centrala sterująca | LEO B CBB (wbudowana) |
| Siłownik | samohamowny |
| Zasilanie napędu | 230V AC ±10%, 50 Hz jednofaz. |
| Prędkość obrotowa silnika | 1400 obr/min |
| Moc silnika | 750 W |
| Kondensator | 25 µF |
| Prędkość obrotowa | 37 obr/min |
| Prędkość przesuwu | 9 m/min |
| Moduł zęba | 4 mm (18 zębów) |
| Stopień redukcji | 1/38 |
| Zabezpieczenie termiczne | 140°C |
| Klasa izolacji | F |
| Temperatura pracy | od -15°C do + 60°C |
| Maksymalna waga bramy | 20000N (2000 kg) |
| Moment obrotowy | 40 Nm |
| Sprzęgło | sprzęgło elektron. z enkoderem |
| Smarowanie | olej, ERGOIL |
| Wyłączniki krańcowe | magnetyczne |
| Obsługa ręczna | po wysprzęgleniu |
| Częstotliwość użytkowania | praca bardzo intensywna |
| Stopień zabezpieczenia | IP24 |
| Ciężar siłownika | 25 kg |
| Wymiary | patrz rysunek |

Zestaw zawiera:
- Siłownik ICARO NF PROX z wbudowaną centralą LEO B CBB i radioodbiornikiem (pamięć do 63 pilotów)
- Pilot MITTO B RCB02 R1 2CH - 1 szt.

- Fotokomórki COMPACTA A20-180
- Elementy montażowe
- Instrukcja instalacji
- Karta gwarancyjna (24 m-ce)